客服热线:1882356201

当前位置:首页 / 产品中心 /AKY10026 A04自锁开关黄柄

产品中心

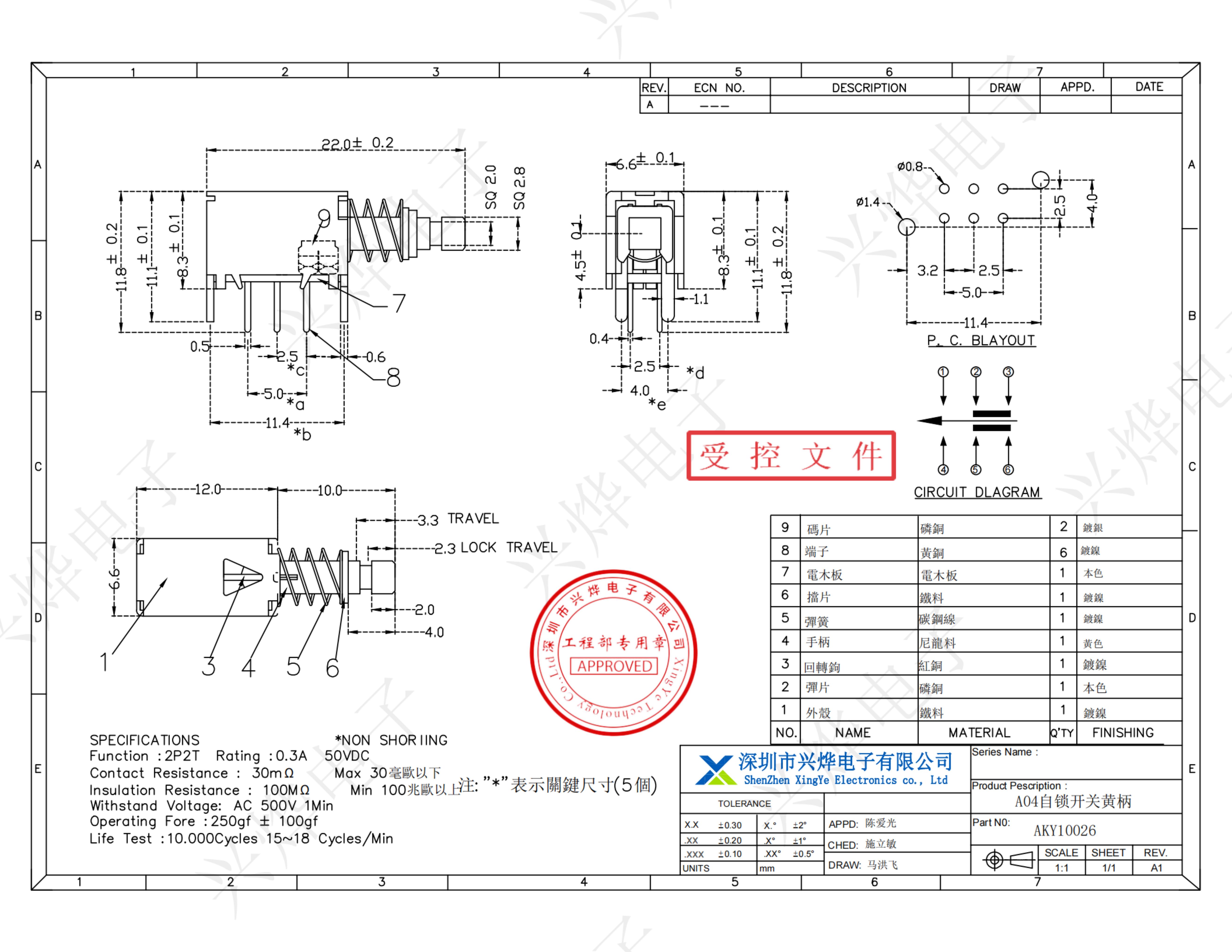
AKY10026 A04自锁开关黄柄

物料编码:AKY10026 产品型号:A04自锁开关黄柄

技术参数:

       1.额定负荷:DC 12.0V 0.05A                     2.接触电阻:100mΩ MAX

       3.绝缘电阻:AC 100V≥100MΩ                 4.耐焊温度:260℃ 10s

       5.使用寿命:50000cycles                          6.使用温度:-25℃ to +70℃

       7.使用湿度:≤85% RH                              8.操作力度:260±30gf

       应用:数码产品、安防、电脑、通讯产品、家用电器、智能交通、穿戴产




规格书下载

图文详情

AKY10026 A04自锁开关黄柄 - 副本_扫描版_01.jpg